
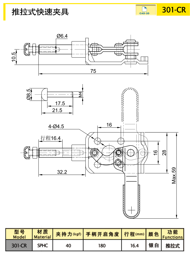
| model | Weight (g) | Clamping force (kgf) | function | material quality | colour | 3D |
| 301-CR | 58.3 | 40 | push-pull type | sphc | silver white | Download |
A fast clamping and quick opening mechanism designed based on the principle of mechanical four link linkage, which is flexible, smooth, and does not sway